Flexible Pipe / Hoses
Conduit Saddle
Flexible Pipe / Hoses
Conduit Saddles
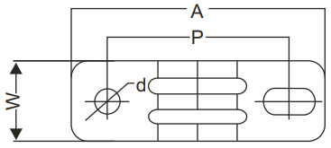
DOUBLE – SIDE SADDLE




DOUBLE – SIDE SADDLE
Nominal Size | A | P | W | D | d | T | H | |
inch mm | ||||||||
1/4 | 6 | 50 | 36 | 16 | 11.50 | 5.2 | 1.0 | 17 |
3/8 | 10 | 52 | 38 | 18 | 16.50 | 5.2 | 1.0 | 20 |
1/2 | 13 | 56 | 42 | 20 | 20.00 | 5.2 | 1.0 | 23 |
3/4 | 19 | 62 | 48 | 22 | 28.00 | 5.2 | 1.0 | 29 |
1 | 25 | 70 | 56 | 30 | 33.50 | 5.2 | 1.2 | 35 |
1.1/4 | 32 | 80 | 66 | 30 | 42.50 | 6.2 | 1.4 | 44 |
1.1/2 | 38 | 88 | 72 | 35 | 48.50 | 6.2 | 1.4 | 51 |
2 | 51 | 104 | 88 | 40 | 63.00 | 6.2 | 1.4 | 62 |
2.1/2 | 65 | 130 | 100 | 40 | 75.50 | 8.2 | 1.4 | 78 |
3 | 76 | 142 | 122 | 40 | 91.00 | 8.2 | 1.4 | 91 |
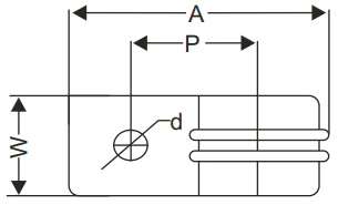
SINGLE – SIDE SADDLE




SINGLE – SIDE SADDLE
Nominal Size | A | P | W | D | d | T | H | |
inch mm | ||||||||
1/4 | 6 | 35 | 18 | 16 | 11.50 | 5.2 | 1.0 | 17 |
3/8 | 10 | 37 | 19 | 19 | 16.50 | 5.2 | 1.0 | 20 |
1/2 | 13 | 41 | 21 | 20 | 20.00 | 5.2 | 1.0 | 23 |
3/4 | 19 | 47 | 24 | 22 | 28.00 | 5.2 | 1.0 | 29 |
1 | 25 | 54 | 28 | 30 | 33.50 | 5.2 | 1.2 | 35 |
1.1/4 | 32 | 64 | 32 | 30 | 42.50 | 6.2 | 1.4 | 44 |
1.1/2 | 38 | 71 | 36 | 35 | 48.50 | 6.2 | 1.4 | 51 |
2 | 51 | 85 | 44 | 40 | 63.00 | 6.2 | 1.4 | 62 |
