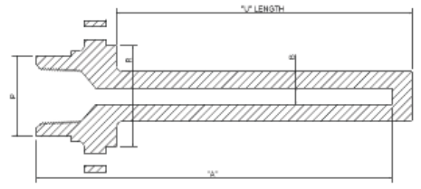
Thermowell Bars
Flanged Thermowell
Thermowell Bars
Flanged Thermowell



Venstone Thermowell


260 Bore (Part # A)
| Part No. | Stem Length | Insertion Length | Shank Dia. | Bore Dia. |
| ‘L’ | ‘U’ | ‘Q’ | ‘B’ | |
| TW-K-5933-34-04 | 4 | 2 | 3/4 | .260 |
| TW-K-5933-34-06 | 6 | 4 | 3/4 | .260 |
| TW-K-5933-34-09 | 9 | 7 | 3/4 | .260 |
| TW-K-5933-34-12 | 12 | 10 | 3/4 | .260 |
| TW-K-5933-34-15 | 15 | 13 | 3/4 | .260 |
| TW-K-5933-34-18 | 18 | 16 | 3/4 | .260 |
| TW-K-5933-34-24 | 24 | 22 | 3/4 | .260 |
385 Bore (part #b)
| Part No. | Stem Length | Insertion Length | Shank Dia. | Bore Dia. |
| ‘L’ | ‘U’ | ‘Q’ | ‘B’ | |
| TW-K-5933-78-04 | 4 | 2 | 7/8 | .385 |
| TW-K-5933-78-06 | 6 | 4 | 7/8 | .385 |
| TW-K-5933-78-09 | 9 | 7 | 7/8 | .385 |
| TW-K-5933-78-12 | 12 | 10 | 7/8 | .385 |
| TW-K-5933-78-15 | 15 | 13 | 7/8 | .385 |
| TW-K-5933-78-18 | 18 | 16 | 7/8 | .385 |
| TW-K-5933-78-24 | 24 | 22 | 7/8 | .385 |
Other Dimensions
Pipe Size Nominal | Actual Diameter | Raised Faced Diameter | Part Number |
‘P’ | ‘R’ | ||
1 | 1.315 | 2 | TW-K-5933-02-01 |
1 1/2 | 1.900 | 27/8 | TW-K-5933-278-112 |
